安博电竞
安博电竞
关于我们
工厂设备
荣誉证书
产品中心
微型电磁阀
管路系列
常见问题
安博电竞
安博电竞
行业新闻
联系我们
CN
中文简体
menu
网络菜单
安博电竞
关于我们
工厂设备
荣誉证书
产品中心
微型电磁阀
管路系列
常见问题
安博电竞
安博电竞
行业新闻
联系我们
产品搜索
语言
中文简体
分享
退出
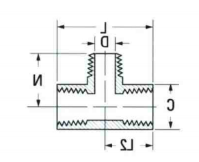
MALE BRANCH TEE
安博电竞
/
产品中心
/
管路系列
/
接头
/
黄铜管件
/ MALE BRANCH TEE
MALE BRANCH TEE
典型的应用: 润滑脂,制冷,仪表及液压系统。燃料,LP和天然气在特定的顺序
压力: 操作压力为1200psi。
温度范围: -65°F to +250°F -53°C 50+120°C
使用: 黄铜,青铜和铸铁管
材料: CA360黄铜
分享:
安博电竞:
安博电竞:
安博电竞:
安博电竞:
安博电竞:
联系我们
产品详情
FEM.PIPE
MALE PIPE
CATALOG
C
D
L
L2
N
THREAD
THREAD
NUMBER
1/8
1/8
3600×AA
7/16
0.219
1.10
0.55
0.66
1/4
1/4
3600×BB
11/16
0.312
1.56
0.78
0.96
3/8
3/8
3600×CC
13/16
0.438
1.68
0.84
0.97
1/2
1/2
3600×DD
1"
0.562
2.18
1.09
1.25
3/4
3/4
3600×EE
1-1/4
0.750
2.31
1.16
1.38
推荐产品
查找更大
黄铜管件 B-001
了解其他
黄铜管件 B-002
看到许多
黄铜管件 B-003
查找多
黄铜管件 B-004
了解非常多
黄铜管件 B-005
查验一些
黄铜管件 B-006